2,54 mm glava škatle s priključkom za drogove
Lastnosti izdelka BHDS07-XXXXXX Možnost dobave in dodatne informacije Pakiranje in dostava
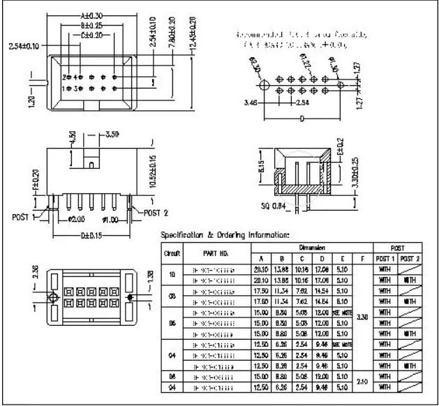
Opis
Lastnosti izdelka
Št. modela: BHDS07-XXXXXX Blagovna znamka: ANTENKVrsta vmesnika: AC/DCHohišje: PlastikaPin: MedeninaPoli: DrugoApplication: OtherCertification: OtherGender: MaleMaterial: BrassSupport Card Number: OtherOperating Frequency: High FrequencyClassification: Other
Možnost dobave in dodatne informacije
Pakiranje: pakiranje v vrečke, pakiranje v cevi, pakiranje v kolute Produktivnost: 100000K/mesec Prevoz: Ocean,Zrak Kraj izvora: Kitajska Zmogljivost dobave: 100000K/mesec Certifikat: ISO9001HS koda: 8536909000Vrsta plačila: T/T, Paypal, Western UnionIncoterm: FOB,CIF,EXW,FCA
Pakiranje in dostava
Prodajne enote:
Torba/Vrečke
Vrsta paketa:
pakiranje vrečk, pakiranje cevi, pakiranje kolutov
Shenzhen Antenk Electronics Co., Ltd. je s podjetjem Post Electronics lansiralo 2,54 mm glavo škatle 180 stopinj H=10.52 mm. Preprosta krava je običajno sestavljena iz kvadratne plastične vtičnice in številnih kvadratnih igel, ki so lepo razporejene. Razlika med preprostim kravjim konektorjem in konektorjem za rog je v tem, da preprosti rog odstrani zaponke na obeh straneh.

V: Kakšen je vaš način dostave?
O: Naš običajni rok dostave je FOB Xiamen. Sprejemamo tudi EXW, CFR, CIF, DDP, DDU itd. Ponudili vam bomo stroške pošiljanja in lahko izberete tistega, ki je za vas najprimernejši in najučinkovitejši.
V: Kakšne so vaše poprodajne storitve?
O: Naše garancijsko obdobje za kakovost je eno leto. Kakršna koli težava s kakovostjo bo rešena v zadovoljstvo strank.




Pošlji povpraševanje
Morda vam bo všeč tudi










